Trilocale in Vendita a Varese Ligure, 10'834€, 58 m²

Locali: 3
Camere: 1
Piano: 1
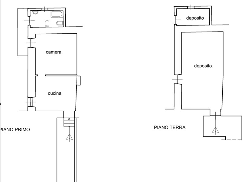
Appartamento ubicato a Varese Ligure (SP) - Località San Quirico - Frazione Teviggio, edificio 14. L'abitazione è al primo e ultimo piano di una casa a schiera ed è suddiviso in ingresso sul locale cucina e una camera comunicante. Dalla suddetta camera si ha accesso al balcone scoperto su cui si apre la porta per l'accesso al bagno. Nel locale cucina vi è una botola a soffitto che conduce a soffitta non abitabile di superficie 24.70 mq. A piano terra, con ingresso indipendente, si accede al locale deposito. - Il Prezzo visualizzato è la Base d'Asta in quanto l’immobile è oggetto di esecuzione immobiliare venduto tramite Asta Giudiziaria. - L'immobile aggiudicato, viene venduto libero e sgombro da persone cose ed ipoteche nello stato di fatto e di diritto in cui si trova. - Non rappresentiamo il Tribunale, ma lavoriamo nell'esclusivo interesse del potenziale acquirente per garantire un acquisto sicuro. - I consulenti di ASTE ITALIA ti assisteranno in tutte le attività dell'iter giudiziario dalla visita dell'immobile fino alla consegna chiavi. - Contatta il nostro Servizio Clienti , i nostri operatori sono a disposizione per chiarire i molteplici dubbi per partecipare alle ASTE.

Condizioni economiche

Contratto: Vendita
Prezzo: 10'834€
Arredato: No

Informazioni principali

Tipologia: Trilocale
Città: Varese Ligure
Superficie: 58 m²
N° locali: 3
N° Camere: 1
Piano: 1
N° balconi: 1
Cucina: Angolo cottura

Efficenza energetica

Classe energetica: G
Anno di costruzione: 0
Condizioni stabile: Discreto

Caratteristiche

Cantina: Si

Dati inserzione

ID Offrocasa.com: 10953929
Data inserimento: 13/01/2026
Rif. Agenzia: GE473/23LU-2503-26-1300
Rif. Agenzia GE473/23LU-2503-26-1300

ASTE ITALIA

Via Serra 6 Int 7 - Genova (GE)
010.8935240
Richiedi Info dal form:
Accetto l'Informativa Privacy


Condividi

ASTE ITALIA

Via Serra 6 Int 7 - Genova (GE)

Trilocale in Vendita a Varese Ligure, 10'834€, 58 m²

Chiama
Contatta